SAT SHRI OVERSEAS

 

 
 

Our Export Unit

 
   
 

More Click here

 

 

  PRODUCTS

     
 

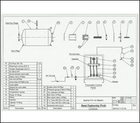
Air Blaster

 
     
 

Pneumatic Control Panel

 
     
  SEQUENTIAL TIMER  
     
  S.S. Casting Nozzles & Fabrication  
     
  Spare PARTS oF AIR BLASTER  
     
  AUTO COMPONENTS PARTS  

SPARE PARTS OF AIR BLASTER

     
     
  Deals with all type of Air Cannon/Blaster, Air Receivers and spare Parts which are as :  
       
 
  • Piston (4"and 6") For Air Blaster.

  • Piston with saver. (4"and 6") For Air Blaster.

  • Rubber 'O' rings For Air Blaster.

  • NRV for Air Blaster.

  • Quick Exhaust Valves for Air Blaster.

  • Safety valves For Air Blaster.

  • Solenoid valves For Air Blaster.

  • Rubber Diaphragm for Air Blaster.

  • Ball Valves (1/2" and 3/4") For Air Blaster.

  • Filter Lubricator for Air Blaster.

  • Oil Filter Lubricator for Air Blaster.

  • Rubber Pad For Air Blaster.

  • Hoses for Air Blaster.

  • All M.S. & S.S. Pipe Fittings
     

 
     
 

 
       
   

LARGE IMAGE